-
-
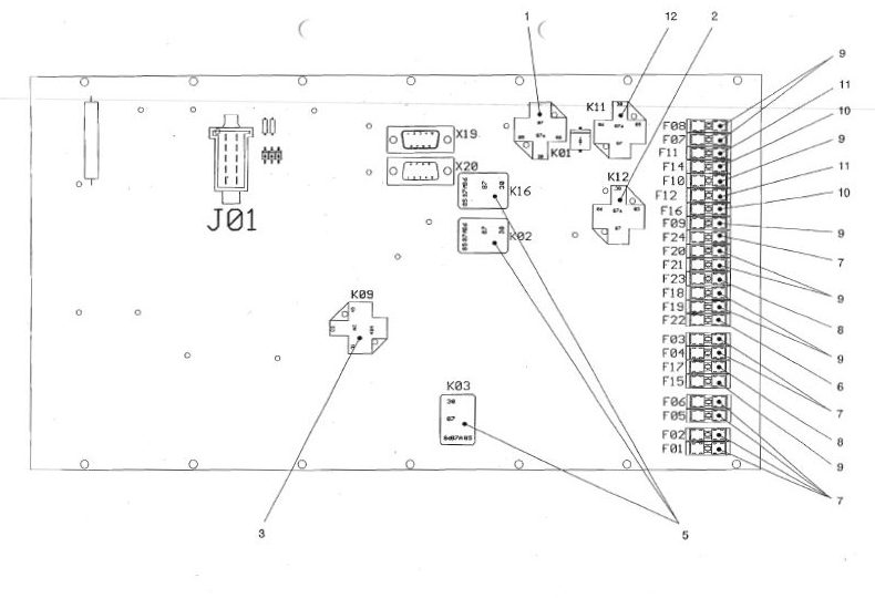
Schemat instalacji Atlas AR 55 65 70 75s 80 85 – elektryka ładowarki Atlas, elektronika budowlana, wiring diagram Atlas AR, Radlader Schaltplan

-
-
Sterowniki Linde CEL do ładowarek Atlas: CEL-02/05 Z, CEL-02/05 ZB, CEL-02/05 ZC, CEL-02/04 T, CEL-02/02 E, 690 000 6000, 0690 014 2500, 0690 014 2503, 0690 014 2504, 0690 014 252 – naprawa elektroniki Atlas, wymiana sterownika Atlas Linde, moduł CEL Atlas Linde, elektronika Linde CEL do Atlas Radlader.

-
-
-
-
-
-









